上海如迪网络科技有限公司   点击这里给我发消息 首页|询价 如迪
网站首页 关于如迪 产品与服务 应用案例 如迪动态 质量认证 下载中心 联系如迪
如迪隔膜泵

获得更多的信息与帮助请咨询我们

获得更多的信息与帮助请咨询我们

 

 
当前位置: RD气动隔膜泵系列
 
下一条:RD20PVDF气动隔膜泵 上一条:RD15PVDF气动隔膜泵
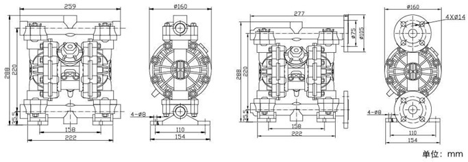
RD20PP气动隔膜泵
在线订购
产品概述

多端口设计易于安装
可外接电磁阀,便于遥控操作
启动迅速,自吸力强

  最大工作压力

  100psi(0.7Mpa,7bar)

  最大流量

  13.2gpm(50lpm)

  最大往复速度

  400cpm

  最大虹吸高度

  4m

  最大输送固体颗粒

  3/32in.(2.5mm)

  最大空气消耗量

  28scfm(0.672m³/min)

  空气进口尺寸

  1/4in.npt(f)

  空气出口尺寸

  1/4in.npt(f)

  流体进口尺寸

  1/2and3/4in.npt(f)orbspt(f)

  流体出口尺寸

  1/2and3/4in.npt(f)orbspt(f)

  重量

  PVDF pump 3.7kg
  聚丙烯泵PP pump 2.7kg

 
浏览同类产品: 更多
RD-80中间进出口铝合金气动隔膜泵
RD06乙缩醛气动隔膜泵
RD10乙缩醛气动隔膜泵
RD15铝合金气动隔膜泵
RD15不锈钢气动隔膜泵
 
 
上海如迪网络科技有限公司 版权所有
地址 :上海市金山区山阳镇南阳港东路350号
邮编 :201508
电话:021-57578277/57575767
1391774211/13917763875
传真号码 :021-51864999
邮箱 :fangfang@river-wave.net
友情链接:上海江浪流体机械制造有限公司
公司简介
产品展示
新闻动态
公司荣誉
应用案例
联系我们

RD气动隔膜泵系列
RD微型电动隔膜泵
RD电动隔膜泵系列
RD手动隔膜泵系列
RD粉尘隔膜泵系列
RD气动隔膜泵系列附件

  备案号:沪ICP备12047221号