● 各种流体可以处理
● 弹簧式止回阀,吸入功率自强易安装。
● 聚四氟乙烯隔膜更耐用。
● 容易在远程控制,能与电磁阀连接
● RD06系列优良的品质和合理的价格;轻巧的设计

最大往复速度
Max.reciprocating Speed |
400cpm |
最大虹吸高度
Max.suction Height |
4m |
最大输送固体颗粒
Max.permitted Grain |
3/32in.(2.5mm) |
最大空气消耗量
Max.ai R Consumption |
28scfm(0.672m³/min) |
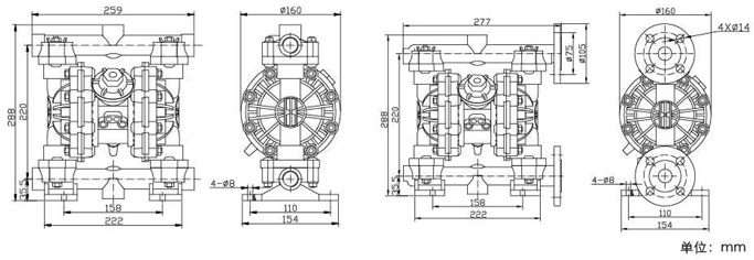
空气进口尺寸
Air Inlet Size |
1/4in.npt(f) |
空气出口尺寸
Air Outlet Size |
3/8in.npt(f) |
流体进口尺寸
Fluid Inlet Size |
1/2 and 3/4in.npt(f)or bspt(f) |
流体出口尺寸
Fluid Outlet Size |
1/2 and 3/4in.npt(f)or bspt(f) |
重量 Weight
|
聚丙烯泵PP pump 2.7kg |